公司简介 公司新闻 综合资讯 产品展示 产品目录 客户反馈 联系我们 电子邮局
  主要产品为静态混合器、动态混合设备、传热反应设备、过滤设备、消声设备、阻火设备等

管式反应器
切水器
管道过滤器
混合器
自清洗过滤器
空气过滤器
灭菌过滤器
滤件系列
精细过滤器
粉体输送设备
粉体混合设备
液体搅拌设备
消声器
特种小型设备
排水器
高效换热器
纸浆漂白专用设备
除污器(滤水器)
喷射器
纤维除雾器

 
OXB系列氧气用点阀箱
(一)、OXB/A1-4型氧气用点阀箱
1、用途
本产品适用于金属气焊、气割、火焰表面清理和热加工的氧气管路用户点,也能同氧气汇流排配套使用于上述各种用户点。
2、结构特点
本产品外部保护采用天蓝色烤漆防锈,阀箱接点可供1-4把焊炬或割炬分别使用,也可供同时使用。由于每个接点都分别配有减压器避免了同时使用时压力、流量的波动,内部所有管路均采用不锈钢(1Cr18Ni9Ti)制作。阀箱门接有箱体专用锁,便于集中管理,可避免因误操作造成的能源浪费和泄漏引起的不安全因素。
3、产品技术参数
氧气点阀箱技术参数
型号
 项目
OXB/A-1型
OXB/A-2型
OXB/A-3型
OXB/A-4型
正常使用压力MPa
0.1~1.6
0.1~1.6
0.1~1.6
0.1~1.6
流量Nm3/H
15~60
30~120
45~180
60~240
外形尺寸mm
1200×960×320
1200×960×320
1200×960×320
1200×960×320
接头规格
DN10×1
DN10×2
DN10×3
DN10×4
接管法兰规格
PN4.0或PN2.5 DN25
PN4.0或PN2.5 DN25
PN4.0或PN2.5 DN25
PN4.0或PN2.5 DN25
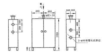
4、OXB/1-4型氧气接点阀箱安装示意图
5、选用说明
当进气压力P≤2.5MPa时,入口配JB/T81-94平焊钢法兰。
当进气压力2.5<P≤4.0MPa时,入口配JB/T82.2-94对焊钢法兰。
请用户订货时注明。
(二)、OXB/B1-3型氧气用点阀箱
1、用途
本产品适用于金属气焊、气割、火焰表面清理和热加工的氧气管路用户点,也能同氧气钢瓶组配套使用于上述各种用户点。
2、结构特点
本产品外部保护采用天蓝色烤漆防锈,阀箱接点可供1-3人分别使用,也可供同时使用。所用仪表可通过阀箱面板窥视孔直接观察,内部所有管路均采用不锈钢(1Cr18Ni9Ti)制作;阀箱门接有箱体专用锁,便于集中管理,可避免因误操作造成的能源浪费和泄漏引起的不安全因素。
3、产品技术参数
氧气点阀箱技术参数
型号
 项目
OXB/B-1型
OXB/B-2型
OXB/B-3型
正常使用氧气压力MPa
0.8~1.6
0.8~1.6
0.8~1.6
流量Nm3/H
15~30
30~45
45~100
外形尺寸mm
1000×500×240
1000×500×240
1000×500×240
接头规格
见附图
见附图
见附图
安装示意图
注意事项
本产品在安装过程中请注意进出气口不可接反,发现堵塞应清洗,使用一年后应进行全面检修。
南通沃尔驰石化工程有限公司 地址:启东市汇龙镇中央河中路691号 邮编:226200 http://www.nt-worlds.com E-mail:13862978163@126.com
电话:0513-83325673 传真:0513-83119878 手机: 13862978163 静态混合器