公司简介 公司新闻 综合资讯 产品展示 产品目录 客户反馈 联系我们 电子邮局
  主要产品为静态混合器、动态混合设备、传热反应设备、过滤设备、消声设备、阻火设备等

管式反应器
切水器
管道过滤器
混合器
自清洗过滤器
空气过滤器
灭菌过滤器
滤件系列
精细过滤器
粉体输送设备
粉体混合设备
液体搅拌设备
消声器
特种小型设备
排水器
高效换热器
纸浆漂白专用设备
除污器(滤水器)
喷射器
纤维除雾器

 
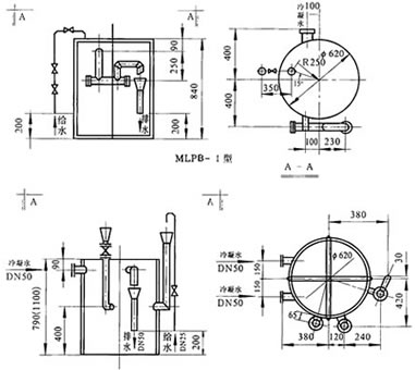
MLPB型系列离心式鼓风机排水器
1、MLPB型排水器为四室排水器,适用于离心式煤气鼓风机本体及进出口管排水。
2、该排水器必须采用压力给水,给水量为2-3t/h。
3、排水器上设有蒸汽或氮气吹扫头,为防止煤气窜入蒸汽或氮气管内,只有在通蒸汽或氮气时,才能把蒸汽或氮气与煤气管连通,停用时必须断开或堵盲板。
4、排出器冷凝水应集中处理。
5、设在露天的排水器在寒冷地区要采取防冻措施,设在室内的应有良好的自然通风。
MLPB型排水器系列规格选用表
型 号
鼓风机
型 号
水封
高度
mm
外形尺寸(mm)
上 水 管
排 水 管
吹 扫 管
煤气冷凝水管
Φ
筒高
H
管径DN
mm
数量
管径DN
mm
数量
管径DN
mm
数量
管径DN
mm
数量
MLPB-I
D100-32
2000
620
840
25
1
50
1
25
4
80
1
MLPB-II
D110-12
1800
620
790
25
1
50
1
25
4
80
2
MLPB-III
D250-11-2
3200
620
1100
25
1
50
1
25
4
80
2
MLPB-II、III型
*MLPB-II、III型各增加一个人补水管DN50
 
南通沃尔驰石化工程有限公司 地址:启东市汇龙镇中央河中路691号 邮编:226200 http://www.nt-worlds.com E-mail:13862978163@126.com
电话:0513-83325673 传真:0513-83119878 手机: 13862978163 静态混合器