
系统需求:
①没有噪音、没有振动、热效率100%;
②如果水箱补冷水、或自然冷却,水温下降,可以反复二次加热,没有温水浪费;
③设备使用寿命15年以上,一劳永逸。
设备需求:
HQS汽水混合器,ZW型阀门,循环水泵。
系统举例
现场条件:
饱和蒸汽:压力 0.7MPa 温度170℃;自来水:压力 0.4MPa 温度5℃;
50t热水箱(地面水泥池,长4m*宽4m*深3.4 m)。
现场要求
1h内,将150吨,5度的常温水加热到85℃。
精确计算(参考饱和水和饱和水蒸汽热力性质表。)

增值方案
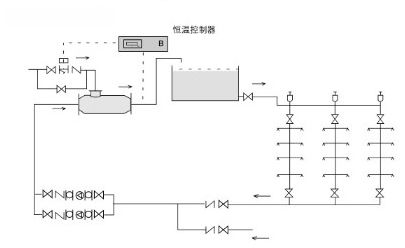
设备需求:
HQS汽水混合加热器,WK水温控制器。
解决问题:
保持恒定水温水位。水温低于设定温度时,自动打开蒸汽阀;水温到达设定温度时,自动关闭蒸汽阀,系统设备自动运行,无人值守。
增值方案系统:

基本方案 |